

ATEX besorolás
Ex II 2G Ex IIA T4 Gb X
Ex II 2G Ex IIIA T130°C Db X
Ex II 2G Ex h IIC T4 Gb X
Ex II 2G Ex h IIIC T130°C Db X
Technikai adatok és méretek
| típus | 1,5 TI | 3 TI/2 | |
| terhelhetőség kg | 1500 | 3200 | |
| levegő nyomás bar | 4-6 | 4-6 | |
| láncágak száma | 1 | 2 | |
| teljesítmény kW | 1,3-2 | 1,3-2 | |
| emelési sebesség maximális terhelésnél m/min | 4-6 | 2-3 | |
| emelési sebesség terheletlenül m/min | 8,4-10 | 4,2-5 | |
| süllyesztésii sebesség maximális terhelésnél m/min | 11-12 | 5,5-6 | |
| levegő fogyasztása maximális terhelésnél - emelésnél m3/min | 1,5-2,6 | 1,5-2,6 | |
| levegő fogyasztása maximális terhelésnél - süllyesztésnél m3/min | 2,2-3,6 | 2,2-3,6 | |
| levegő csatlakozás | G¾ | G¾ | |
| tömlő belső átmérője Ø mm | 19 | 19 | |
| saját tömeg 3 m teherlánccal / 2 m vezérlőkábellel kg | 56 | 66 | |
| teherlánc méretei mm | 9x27 | 9x27 | |
| teherlánc saját tömege kg/m | 1,8 | 1,8 | |
| standard emelési magasság m | 3 | 3 | |
| kontrol kábel hossza standard emelési magasságnál | 2 | 2 | |
| zajszint maximális terhelésnél - emelésnél¹ dB(A) | 73-77 | 73-77 | |
| zajszint maximális terhelésnél - süllyesztésnél¹ dB(A) | 78-80 | 78-80 | |
| Csoportszám | M3 (1 Bm) | M3 (1 Bm) | |
¹ Mérés 1 méter távolságról, a DIN 45635 part 20. szerint

| típus | méretek mm | |||||||
| A | B | C | D | E1 | E2 | F | G | |
| 1,5 TI | 480 | 293 | 200 | 412 | 28 | 26 | 170 | 215 |
| 3 TI/2 | 544 | 356 | 200 | 412 | 28 | 28 | 140 | 215 |
A pneumatikus láncos emelők számos elérhetőséggel rendelkeznek, ajánlatkérés és megrendelés előtt mindenképp egyeztessen társaságunkkal!

Egyéb műszaki információk:

1. Köteles vezérlés
Univerzálisan alkalmazható bármilyen vezérlőhosszra.
Ez a vezérlés lehetővé teszi az érzékeny indítást és leállítást.
Az emelési és süllyesztési sebesség fokozatmentesen változtatható.
A kötélvezérlés minden PROFI emelőhöz elérhető, 25 t teherbírásig.
Nagyobb kapacitású PROFI sorozatú 37 TI, 50 TI és 100 TI emelőknél a kötelet húzó lánc váltja fel a nagyobb szilárdság érdekében.

2. FI típusú vezérlés
Érzékeny vezérlés, nagyon könnyű kezelhetőség.
Lehetővé teszi a sebesség nagyon érzékeny szabályozását.
A szintetikus ház ergonómikus kialakításának köszönhetően kezelhetősége nagyon egyszerű és kényelmes.
Nem rozsdásodó anyagok használata lehetővé teszi az alkalmazást olyan területeken, ahol agresszív anyagok vannak a légkörben.
A vezérlőtömlők egy külső burkolatba vannak zárva, amely megvédi őket a környezeti hatásoktól.

3. E típusú vezérlés
Alacsony karbantartást igénylő, korrózióálló.
A nagyon robusztus sárgaréz szelep különbözteti meg az E-vezérlést.
Kis súly és ergonomikus kialakítás biztosítja a könnyű kezelhetőséget.
Érzékeny sebességszabályozás nem lehetséges.
Csak egysebességes változatban érhető el.

4. F típusú vezérlés
Többfunkciós használatra is elérhető.
Az F-control törhetetlen szintetikus anyagból áll, amely ellenáll a környezeti hatásoknak.
Az ergonomikus kialakítású ház könnyű kezelhetőséget tesz lehetővé.
Akár 18 különféle vezérlési funkció integrálható, például kulcsos kapcsoló, kétfokozatú menetsebesség vagy több motor egyidejű vezérlése.
Opciós lehetőség az F-vezérlésnél az emelési és haladási sebesség fokozatmentesen szabályozhatósága.
LN - manuális (szabadonfutó) haladómű kézi tolással vagy húzással
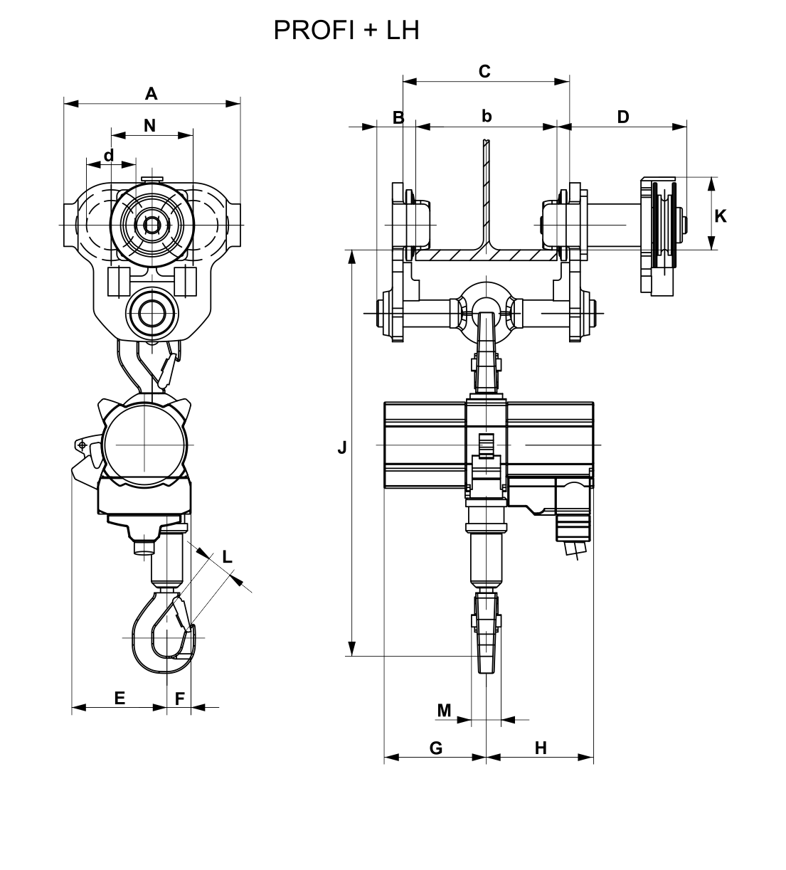
LH - kézi láncos hajtású haladómű
LM - sűrített levegős motorral hajtott haladómű - nyomógombos vezérléssel



Általános jellemzők:
Opciók:
Az energia betáplálás különböző rendszerekkel valósítható meg:
Összeszerelési ajánlások és méretek



|
emelő típusa |
haladómű típusa |
méretek mm | ||||||||||||||
| A | B max. | C | d | D | E | F | G | H | J* | J** | K | L | M | N | ||
| 1,5 TI | LN 2t | 310 | 162 | b+26 | 80 | 162 | 170 | 45 | 200 | 212 | - | 588 | 94 | 26 | 40 | 150 |
| 3 TI/2 | LN 3.2t | 292 | 113 | b+60 | 84 | 113 | 140 | 75 | 200 | 212 | 613 | - | 107 | 28 | 42 | 136 |
| 1,5 TI | LH 2t | 250 | 130 | b+36 | 70 | 284 | 170 | 45 | 200 | 212 | - | 602 | 103 | 26 | 40 | 116 |
| 3 TI/2 | LH 3,2 t | 292 | 113 | b+60 | 84 | 294 | 140 | 75 | 233 | 212 | 613 | - | 110 | 28 | 42 | 136 |
| 1,5 TI | LM 2t | 250 | 130 | b+36 | 70 | 185 | 170 | 45 | 200 | 212 | - | 602 | 95 | 26 | 40 | 116 |
| 3 TI/2 | LM .2t | 292 | 113 | b+60 | 84 | 191 | 140 | 75 | 200 | 212 | 613 | - | 107 | 29 | 42 | 136 |
* - szerelt / ** - függesztett

ATEX besorolás:
Ex II 2G Ex h IIA T4 Gb X
Ex II 2G Ex h IIIA T130° C Db X
Magasabb osztály külön kérésre

Pneumatikus láncos emelő - JDN Profi 4 - 6 bar

Egyéb oldalaink:
Rozsdamentes növényfuttató
és építészeti kötélrendszer
Offroad és gépjárműcsörlő webáruház
2021 Texem - Minden jog fenntartva